SteelLib
Первая в России энциклопедия по стальному строительству
Главная Печать
Сообщить об ошибке

Колонны

Колонны

Колонны многоэтажных стальных каркасов как правило изготавливаются из широкополочных двутавров и в основном воспринимают вертикальную нагрузку. Если устойчивость каркаса обеспечивается ядрами жесткости или отдельными вертикальными связями, балки проектируются как шарнирно опертые. Общепринятая расчетная модель подразумевает, что в условно шарнирных узлах на колонну передаются незначительные изгибающие моменты, возникающие вследствие того, что опорная реакция балки приложена в 100 мм от грани колонны. Если реакции по обеим сторонам колонны равны, то результирующие изгибающие моменты отсутствуют. Колонны, расположенные по периметру каркаса, будут испытывать изгибающие моменты вследствие того, что балки опираются на них лишь с одной стороны. Проектирование колонн рассмотрено в книге Многоэтажные стальные здания. Часть 4: Рабочее проектирование металлоконструкций.

На стадии предварительного проектирования подбор сечения колонны может выполняться только по продольной силе, но в этом случае необходимо, чтобы несущая способность колонны была использована лишь на 90%, оставляя резерв для последующего учета изгибающих моментов, возникающих в узлах опирания балок.

Характерные размеры сечения колонн приведены в таблице 4.1

 

Таблица 4.1     Типовые размеры сечения колонн (для композитных перекрытий со средней длиной пролетов)

Число этажей, с которых передается нагрузка на колонну

Характерные размеры сечения (высота)

1

2 – 4

3 – 8

5 – 12

10 - 40

150

200

250

300

350

Несмотря на то, что по архитектурным соображениям предпочтительным будут являться меньшие сечения, необходимо принимать во внимание технологичность устройства соединения колонн с балками перекрытия. В колоннах малых по высоте сечений узел примыкания балки перекрытия к стенке профиля является технически сложным и неэкономичным.

Для удобства монтажа колонны, как правило, изготавливаются в виде отправочных марок высотой на два или три этажа (т.е. примерно 8-12 м длиной).

Как правило, размер сечения колонны изменяется по высоте здания с целью эффективного использования стального проката. При этом желательно соблюдать соосность участков колонны, хотя для фасадных колонн может быть предпочтительнее получить сплошную внешнюю грань, чтобы иметь возможность использовать унифицированные детали крепления фасадов.

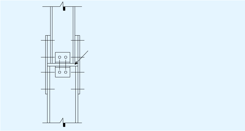
Типичная конструкция стыка отправочных марок колонны по высоте показана на рисунке 4.5. Участки разного сечения соединяются через стыковую пластину.

kol1.png

Типовая конструкция монтажного стыка с опорной пластиной

Если необходимо избежать выступающих деталей в конструкции стыка, используются болты с потайной головкой, а если сечения отправочных марок имеют совпадающие внутренние размеры – внутренние накладки и болты с потайными головками, как показано на рисунке 4.6.

 

kol2.png

Наружные накладки             Внутренние накладки

                    Монтажный стык колонны по высоте на болтах с потайными головками

Напишите нам
Подписаться на рассылку
Сообщить об ошибке