В современной практике строительства стальные конструкции находят широкое применение. Это объясняется тем, что металл благодаря высокой прочности, надежности работы при различных видах напряженного состояния и долговечности способен воспринимать значительные нагрузки. Высокая прочность, надежность, индустриальность в изготовлении стальных конструкций с учетом принципов унификации и стандартизации их элементов, транспортабельность, небольшие сроки при монтаже, относительная легкость по сравнению с железобетонными конструкциями определяют экономичность использования стальных конструкций в строительстве. Кроме того, стальные конструкции удобны в эксплуатации, так как легко ремонтируются и могут быть усилены во время проведения реконструкционных работ в случае увеличения эксплуатационных нагрузок. Однако стальные конструкции требуют специальных мероприятий по огнезащите.
Действующие нормативные документы в области пожарной безопасности
В целях реализации норм Федерального закона от 30 декабря 2009 г. № 384-ФЗ "Технический регламент о безопасности зданий и сооружений", Федерального закона от 22 июля 2008 г. № 123-ФЗ "Технический регламент о требованиях пожарной безопасности" (далее – ФЗ-123) в области огнестойкости и огнезащиты применяются нормативно-технические документы, в том числе:
- СП 2.13130.2012 Системы противопожарной защиты. Обеспечение огнестойкости объектов защиты (в редакции Изменения № 1);
- СП 4.13130.2013 Системы противопожарной защиты. Ограничение распространения пожара на объектах защиты. Требования к объемно-планировочным и конструктивным решениям.
- ГОСТ 30247.0 – 94 Конструкции строительные. Методы испытаний на огнестойкость. Общие требования
- ГОСТ 30247.1 – 94 Конструкции строительные. Методы испытаний на огнестойкость. Несущие и ограждающие конструкции
- ГОСТ Р 53295-2009 "Пожарная опасность веществ и материалов. Материалы, вещества и средства огнезащиты. Идентификация методами термического анализа"
- ГОСТ Р 53295-2009 "Средства огнезащиты для стальных конструкций. Общие требования. Метод определения огнезащитной эффективности" (в редакции Изменения № 1).
- СП 14.13330.2014 Строительство в сейсмических районах
- СП 28.13330.2012 "СНиП 2.03.11-85 Защита строительных конструкций от коррозии"
- СТО НОСТРОЙ 2.12.118-2013 "Строительные конструкции зданий и сооружений. Нанесение огнезащитных покрытий. Правила, контроль выполнения и требования к результатам работ".
- СТО 36554501-031-2013 "Методика испытаний на соответствие требованиям пожарной безопасности строительных конструкций со средствами огнезащиты и систем противопожарной защиты, применяемых в районах с сейсмичностью более 6 баллов" (Приказ ОАО "НИЦ "Строительство" от 29 апреля 2013 г. № 106 об утверждении и введении в действие с 1 мая 2013 г.) .
Правовой основой обоснования огнестойкости конструкций и применения в необходимых случаях огнезащиты является проект огнезащиты, выполняемый на основании действующих нормативных правовых актов.
Термины и определения
Конструктивная огнезащита [СП 2.13130.2012, ГОСТ Р 53295-2009] - способ огнезащиты строительных конструкций, основанный на создании на обогреваемой поверхности конструкции теплоизоляционного слоя средства огнезащиты. К конструктивной огнезащите относятся толстослойные напыляемые составы, огнезащитные обмазки, штукатурки, облицовка плитными, листовыми и другими огнезащитными материалами, в том числе на каркасе, с воздушными прослойками, а также комбинации данных материалов, в том числе с тонкослойными вспучивающимися покрытиями. Способ нанесения (крепления) огнезащиты должен соответствовать способу, описанному в протоколе испытаний на огнестойкость и в проекте огнезащиты.
Комбинированный способ огнезащиты [ГОСТ Р 53295-2009] - сочетания различных способов огнезащитной обработки.
Огнезащитная плита [СП 2.13130.2012] - элемент конструктивной огнезащиты, представляющий собой навесную панель, обеспечивающую огнезащитную эффективность за счет экранирования конструкции, а также низкой теплопроводности исходного материала самой плиты.
Огнезащита [ГОСТ Р 53295-2009] - технические мероприятия, направленные на повышение огнестойкости и (или) снижение пожарной опасности зданий, сооружений, строительных конструкций.
Огнезащитный состав [ГОСТ Р 53295-2009] - вещество или смесь веществ, обладающих огнезащитной эффективностью и предназначенных для огнезащиты различных объектов.
Огнезащитная эффективность
[ГОСТ Р 53295-2009] - показатель эффективности средства огнезащиты, который характеризуется временем в минутах от начала огневого испытания до достижения критической температуры (500 °С) стандартным образцом стальной конструкции с огнезащитным покрытием и определяется методом, изложенным в разделе 5 настоящего стандарта (ГОСТ Р 53295-2009).
Огнезащитная обработка [ГОСТ Р 53295-2009] - нанесение (монтаж) средства огнезащиты на поверхность объекта огнезащиты в целях повышения огнестойкости.
Огнезащитное покрытие [ГОСТ Р 53295-2009] - слой, полученный в результате нанесения (монтажа) средства огнезащиты на поверхность объекта огнезащиты.
Огнестойкость строительной конструкции [СП 2.13130.2012] - способность строительной конструкции сохранять несущие и (или) ограждающие функции в условиях пожара.
Предел огнестойкости конструкции (заполнения проемов противопожарных преград) [ФЗ-123] - промежуток времени от начала огневого воздействия в условиях стандартных испытаний до наступления одного из нормированных для данной конструкции (заполнения проемов противопожарных преград) предельных состояний.
Проект огнезащиты [СП 2.13130.2012] - проектная документация и (или) рабочая документация, содержащая обоснование принятых проектных решений по способам и средствам огнезащиты строительных конструкций для обеспечения их предела огнестойкости по ГОСТ 30247, с учетом экспериментальных данных по огнезащитной эффективности средства огнезащиты, а также результатов прочностных и теплотехнических расчетов строительных конструкций с нанесенными средствами огнезащиты.
Приведенная толщина металла
[ГОСТ Р 53295-2009] - отношение площади поперечного сечения металлической конструкции к периметру ее обогреваемой поверхности.
Средство огнезащиты [ГОСТ Р 53295-2009] - огнезащитный состав или материал, обладающий огнезащитной эффективностью и предназначенный для огнезащиты различных объектов.
Степень огнестойкости зданий, сооружений и пожарных отсеков [ФЗ-123] - классификационная характеристика зданий, сооружений и пожарных отсеков, определяемая пределами огнестойкости конструкций, применяемых для строительства указанных зданий, сооружений и отсеков;
Тонкослойное вспучивающееся огнезащитное покрытие (огнезащитная краска) [ГОСТ Р 53295-2009] - способ огнезащиты строительных конструкций, основанный на нанесении на обогреваемую поверхность конструкции специальных красок или лакокрасочных систем по ГОСТ 28246, предназначенных для повышения предела огнестойкости строительных конструкций и обладающих огнезащитной эффективностью. Принцип действия огнезащитной краски (лакокрасочной системы) основан на химической реакции, активируемой при воздействии пожара, в результате которой толщина огнезащитного покрытия многократно увеличивается, образуя на обогреваемой поверхности конструкции теплоизоляционный слой, защищающий конструкцию от нагревания.
Тонкослойное огнезащитное покрытие (вспучивающееся покрытие, краска) [СП 2.13130.2012] - способ огнезащиты строительных конструкций, основанный на нанесении на обогреваемую поверхность конструкции специальных лакокрасочных составов с толщиной сухого слоя не превышающей 3 мм, увеличивающих ее многократно при нагревании.
Методы определения предела огнестойкости конструкции
Нормативные требования к огнестойкости зданий и сооружений
Здания, сооружения, пожарные отсеки подразделяются по степеням огнестойкости согласно положениям Технического регламента о требованиях пожарной безопасности. Определено пять степеней огнестойкости. Степень огнестойкости зданий, сооружений и пожарных отсеков должна устанавливаться в зависимости от их этажности, класса функциональной пожарной опасности, площади пожарного отсека и пожарной опасности происходящих в них технологических процессов. Требуемые степень огнестойкости зданий, сооружений и класс их конструктивной пожарной опасности устанавливаются в проекте мероприятий по обеспечению пожарной безопасности на основании нормативных документов, например по СП 2.13130.2012 и СП 4.13130.2013. Пример таблицы для определения степени огнестойкости и других пожарно-технических характеристик для административно-бытовых зданий предприятий и складов (отдельно стоящих зданий, пристроек и вставок класса Ф4.3) и ряда общественных зданий представлен ниже.
Степень
огнестойкости
здания
|
Класс
конструктивной
пожарной
опасности
|
Допустимая
высота здания, м
|
Площадь этажа в пределах пожарного отсека, м2, при числе этажей
|
|
1
|
2
|
3
|
4, 5
|
6 - 9
|
10 - 16
|
|
I
|
С0
|
50
|
6000
|
5000
|
5000
|
5000
|
5000
|
2500
|
|
II
|
С0
|
50
|
6000
|
4000
|
4000
|
4000
|
4000
|
2200
|
|
II
|
С1
|
28
|
5000
|
3000
|
3000
|
2000
|
1200
|
-
|
III
|
С0
|
15
|
3000
|
2000
|
2000
|
1200
|
-
|
-
|
III
|
С1
|
12
|
2000
|
1400
|
1200
|
800
|
-
|
-
|
IV
|
С0
|
9
|
2000
|
1400
|
-
|
-
|
-
|
-
|
IV
|
С1
|
6
|
2000
|
1400
|
-
|
-
|
-
|
-
|
|
IV
|
С2,С3
|
6
|
1200
|
800
|
-
|
-
|
-
|
-
|
V
|
С1 - С3
|
6
|
1200
|
800
|
-
|
-
|
-
|
-
|
Примечания:
1.Прочерк в таблице означает, что здание данной степени огнестойкости не может иметь указанное число этажей.
2.В зданиях IV степени огнестойкости высотой два этажа несущие элементы здания должны иметь предел огнестойкости не ниже R 45.
|
Табл.1 Степень огнестойкости, класс конструктивной пожарной опасности, допустимая высота зданий и площадь этажа в пределах пожарного отсека
В зданиях и сооружениях должны применяться основные строительные конструкции с пределами огнестойкости и классами пожарной опасности, соответствующими требуемым степени огнестойкости зданий, сооружений и классу их конструктивной пожарной опасности. Соответствие степени огнестойкости зданий, сооружений и пожарных отсеков и предела огнестойкости применяемых в них строительных конструкций приведено в табл.2 [ФЗ-123].
|
Степень огнестойкости здания
|
Предел огнестойкости строительных конструкций, не менее
|
Несущие элементы
здания
|
Наружные ненесущие
стены
|
Перекрытия междуэтажные (в том числе чердачные и над подвалами)
|
Элементы бесчердачных покрытий
|
Лестничные клетки
|
|
Настилы (в том числе с утеплителем)
|
Фермы, балки, прогоны
|
Внутренние стены
|
Марши и площадки лестниц
|
|
I
|
R 120
|
Е 30
|
REI 60
|
RE 30
|
R 30
|
REI 120
|
R 60
|
|
II
|
R 90
|
Е 15
|
REI 45
|
RE 15
|
R 15
|
REI 90
|
R 60
|
|
III
|
R 45
|
Е 15
|
REI 45
|
RE 15
|
R 15
|
REI 60
|
R 45
|
|
IV
|
R 15
|
Е 15
|
REI 15
|
RE 15
|
R 15
|
REI 45
|
R 15
|
|
V
|
Не нормируется
|
Табл.2 Пределы огнестойкости строительных конструкций
В таблице не отражены пределы огнестойкости конструкций, выполняющих функции противопожарных преград (см. ФЗ-123), а также пределы огнестойкости конструкций, устанавливаемых по специальным техническим условиям.
Классификация строительных конструкций по огнестойкости и методы определения пределов их огнестойкости
Строительные конструкции классифицируются по огнестойкости для установления возможности их применения в зданиях, сооружениях и пожарных отсеках определенной степени огнестойкости или для определения степени огнестойкости зданий, сооружений и пожарных отсеков.
В зависимости от способности сопротивляться воздействию пожара и распространению его опасных факторов в условиях стандартных испытаний, строительные конструкции подразделяются по следующим пределам огнестойкости:
1) ненормируемый;
2) не менее 15 минут;
3) не менее 30 минут;
4) не менее 45 минут;
5) не менее 60 минут;
6) не менее 90 минут;
7) не менее 120 минут;
8) не менее 150 минут;
9) не менее 180 минут;
10) не менее 240 минут;
11) не менее 360 минут.
Следует отметить, что пределы огнестойкости 150 минут требуются для противопожарных стен и перекрытий 1-го типа, предназначенных для деления зданий на пожарных отсеки, а также для несущих конструкций этих стен и перекрытий. Пределы огнестойкости 180 минут и 240 минут применяются, как правило, на высотных зданиях и сооружениях высотой более 75 и 100 метров соответственно, при разработке специальных технических условий. Предел огнестойкости 360 минут на практике не применяется.
Пределы огнестойкости и классы пожарной опасности строительных конструкций
должны определяться в условиях стандартных испытаний по методикам, установленным нормативными документами по пожарной безопасности. Для строительных конструкций пределы огнестойкости и их условные обозначения определяют по ГОСТ 30247, ГОСТ 51136, ГОСТ Р 53307 и ГОСТ Р 53308.
Пределы огнестойкости и классы пожарной опасности строительных конструкций, аналогичных по форме, материалам, конструктивному исполнению строительным конструкциям, прошедшим огневые испытания, могут определяться расчетно-аналитическим методом, установленным нормативными документами по пожарной безопасности.
Предел огнестойкости строительных конструкций устанавливается по времени (в минутах) от начала огневого испытания при стандартном температурном режиме до наступления одного или последовательно нескольких нормируемых для данной конструкции предельных состояний по огнестойкости, с учетом функционального назначения конструкции.
Наступление пределов огнестойкости несущих и ограждающих строительных конструкций в условиях стандартных испытаний или в результате расчетов устанавливается по времени достижения одного или последовательно нескольких из следующих признаков предельных состояний:
1) потеря несущей способности (R);
2) потеря целостности (Е);
3) потеря теплоизолирующей способности вследствие повышения температуры на необогреваемой поверхности конструкции до предельных значений (I) или достижения предельной величины плотности теплового потока на нормируемом расстоянии от необогреваемой поверхности конструкции (W).
Для конструкций, защищенных огнезащитными покрытиями и испытываемых без нагрузок, предельным состоянием будет достижение критической температуры материала конструкции.
Предел огнестойкости по признаку R конструкции, являющейся опорой для других конструкций, должен быть не менее предела огнестойкости опираемой конструкции.
Для нормирования пределов огнестойкости несущих и ограждающих конструкций используют следующие предельные состояния:
- для колонн, балок, ферм, арок и рам - только потеря несущей способности конструкции и узлов - R;
- для несущих наружных стен и покрытий - потеря несущей способности и целостности - R, E, для наружных ненесущих стен - E;
- для несущих внутренних стен и противопожарных преград - потеря несущей способности, целостности и теплоизолирующей способности - R, E, I;
- для ненесущих внутренних стен и перегородок - потеря теплоизолирующей способности и целостности - E, I.
Предел огнестойкости узлов крепления и примыкания строительных конструкций между собой должен быть не ниже минимального требуемого предела огнестойкости стыкуемых строительных конструкций и определяется в рамках оценки огнестойкости стыкуемых строительных конструкций.
Если требуемый предел огнестойкости конструкции (за исключением конструкций в составе противопожарных преград) R 15 (RE 15, RЕI 15), допускается применять незащищенные стальные конструкции независимо от их фактического предела огнестойкости, за исключением случаев, когда предел огнестойкости хотя бы одного из элементов несущих конструкций (структурных элементов ферм, балок, колонн и т.п.) по результатам испытаний составляет менее R 8.
Собственный предел огнестойкости стальных конструкций
Сталь является негорючим материалом, но, как и все материалы, используемые в строительстве, не может в течение длительного времени выдерживать воздействие высокой температуры, возникающей внутри здания при пожаре.
Фактический предел огнестойкости стальных конструкций в среднем составляет 15 мин. Это объясняется достаточно быстрым снижением прочностных и деформативных характеристик металла при повышенных температурах во время пожара.
Интенсивность нагрева стальных строительных конструкций зависит от ряда факторов, к которым относятся характер нагрева конструкций и способы их защиты. В случае кратковременного действия температуры при реальном пожаре, после воспламенения горючих материалов металл подвергается нагреву более медленно и менее интенсивно, чем нагрев окружающей среды. При действии «стандартного» режима пожара температура окружающей среды не перестает повышаться и тепловая инерция металла, обуславливающая некоторую задержку нагрева, наблюдается только в течение первых минут пожара. Затем температура металла приближается к температуре нагревающей среды. Защита металлического элемента и эффективность этой защиты также влияют на нагрев металла. Высокая теплопроводность стали позволяет предполагать, что теплоперенос в массе металлической конструкции осуществляется достаточно быстро, поэтому для стальных конструкций допускается не учитывать температурный градиент ни по сечению, ни по длине.
Степень нагрева металлической конструкции при пожаре зависит от размеров их элементов и величины поверхности их обогрева. При увеличении объема металла и уменьшении поверхности его обогрева температура элемента снижается.
Наступление предела огнестойкости металлических конструкций наступает в результате потери прочности или за счет потери устойчивости самих конструкций или их элементов. Тому и другому случаю соответствует определенная температура нагрева металла, называемая критической.
Критической температурой прогрева сечения конструкции или ее отдельного элемента в условиях пожара называется температура, при которой наступает потеря их несущей способности. Расчет предела огнестойкости сводится к решению двух задач: статической и теплотехнической.
Статическая задача имеет целью определения несущей способности конструкции с учетом изменения свойств металла при высоких температурах, т.е. определения критической температуры в момент наступления предельного состояния при пожаре. В результате решения
теплотехнической задачи определяется время нагрева металла от начала действия пожара до достижения в расчетном сечении критической температуры, т.е. решение этой задачи позволяет определить фактический предел огнестойкости конструкции.
Фактический предел огнестойкости стальных конструкций зависит от толщины элементов и величины действующих напряжений. Чем больше толщина стали и меньше напряжения, тем предел огнестойкости выше. Однако, когда мы говорим о толщине, следует учитывать, что многообразие различных видов стальных конструкций, их профилей, не дают представления о том, что это за толщина. Например, невозможно напрямую сравнить толщину двутавра и швеллера. Для возможности сравнения различных стальных строительных конструкций используют понятие приведённой толщины металла δ
пр, которая определяется по формуле:
δ
пр = F / P,
где F - площадь поперечного сечения, см
2;
P - обогреваемая часть периметра сечения, см.
Обогреваемый периметр стальных конструкций определяется без учета поверхностей, примыкающих к плитам, настилам перекрытий и стенам при условии, если предел огнестойкости этих конструкций не ниже предела огнестойкости обогреваемой конструкции.
Формулы для наиболее распространённых сечений конструкций с учётом обогрева приведены в табл.3.
Табл.3 Определение толщины конструкций для различных типов сечений
Различные компании выпускают многочисленные справочники, программы и онлайн-калькуляторы, которые по известному сортаменту определяют приведённую толщину металла.
Зависимость температуры незащищенных элементов стальных конструкций от времени нагрева по режиму «стандартного» пожара приведены на рис.1 и в табличной форме в табл.4.
Рис.1 Зависимость температуры незащищенных элементов стальных конструкций от времени нагрева по режиму «стандартного» пожара (кривая 1).
Цифры у кривых соответствуют приведенной толщине металла δпр, мм
Приведенная толщина
металла, мм
|
Предел огнестойкости,
мин.
|
|
3
|
7
|
|
5
|
9
|
|
10
|
15
|
|
15
|
18
|
|
20
|
21
|
|
30
|
27
|
|
40
|
34
|
|
60
|
43
|
Табл.4 Собственный предел огнестойкости металлоконструкций
в зависимости от приведенной толщины металла
Испытания стальных конструкций с огнезащитой
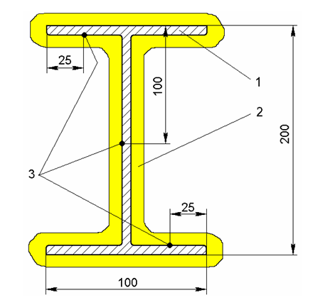
Поскольку собственный (фактический) предел огнестойкости стальных строительных конструкций, как правило, не превышает 15 минут, то для приведения в соответствие с требуемым пределом огнестойкости предусматривают их огнезащиту. Испытания стальных конструкций с огнезащитой проводятся на установке для теплофизических исследований и испытаний малогабаритных фрагментов плоских конструкций и отдельных узлов их стыковых сопряжений и закреплений по ГОСТ Р 53295-2009. В качестве образцов, на которые наносится (монтируется) средство огнезащиты, должны использоваться стальные колонны двутаврового сечения профиля № 20 по ГОСТ 8239 (см. рис. 2) или профиля № 20Б1 по ГОСТ 26020.

Рис.2 Схема расстановки термоэлектрических преобразователей
в среднем сечении на поверхности опытного образца
1 — двутавр № 20; 2 — огнезащитное покрытие;
3 — термоэлектрические преобразователи (термопары)
Огнезащита стальных конструкций должна выполняться составами обеспечивающими замедление прогрева металла до критической температуры 500 °С в течение времени, соответствующему определённому пределу огнестойкости по признаку R.
При расчёте или испытании стальных несущих конструкций под нагрузкой следует принимать критическую температуру стали в соответствии с маркой стали по справочным данным.
Огнезащитная эффективность средств огнезащиты в зависимости от наступления предельного состояния подразделяется на 7 групп:
- 1-я группа — не менее 150 мин;
- 2-я группа — не менее 120 мин;
- 3-я группа — не менее 90 мин;
- 4-я группа — не менее 60 мин;
- 5-я группа — не менее 45 мин;
- 6-я группа — не менее 30 мин;
- 7-я группа — не менее 15 мин.
При определении группы огнезащитной эффективности средств огнезащиты результаты испытаний с показателями менее 15 мин не рассматриваются.
Огнезащитные покрытия не должны распространять горение по своей поверхности.
Информация о полученных пределах огнестойкости содержится в протоколе испытаний, сертификате, публикуется в литературе, например в ежегодном справочнике "Техническая информация" ВНИИПО (в помощь инспектору Государственной противопожарной службы) др.
Компании - производителя средств огнезащиты могут проводить дополнительные добровольные испытания на образцах колонн различной формы сечения, с различной приведенной толщиной металла. Целью проведения данных испытаний является построение обобщенной зависимости толщины огнезащитного покрытия от приведенной толщины металла для различных значений времени достижения предельного состояния конструкции с конкретным средством огнезащиты. При построении указанных зависимостей допускается применять метод линейной интерполяции для заданного постоянного параметра (приведенная толщина металла, толщина огнезащитного покрытия, время) при наличии не менее трех экспериментально установленных значений двух других параметров. При этом экстраполяция не допускается.
Методы выбора средств огнезащиты по различным типам зданий и пределам огнестойкости
Сталь обладает высокой теплопроводностью, поэтому огнезащита заключается в создании на поверхности стальных элементов конструкций теплоизолирующих экранов, выдерживающих воздействие огня или высоких температур.
Наличие теплоизолирующих экранов позволяет конструкциям при пожаре замедлить прогревание стали и сохранить свои функции в течение заданного времени, т.е. до наступления критической температуры, при которой начинается потеря несущей способности.
Традиционно для повышения пределов огнестойкости применяют такие меры как обетонирование, оштукатуривание, обкладка гипсокартонном, кирпичами. В 1984 году ЦНИИСК им. Кучеренко выпустил рекомендации по применению огнезащитных покрытий для металлических конструкций, где приведены способы огнезащиты указанными материалами.
В настоящее время классификация способов огнезащиты следующая:
|
Способы огнезащиты
|
Конструктивный способ:
облицовка конструкций огнезащиты
плитными материалами,
установка огнезащитных экранов,
нанесение различных штукатурок и т.п. (Рис.3-5) |
Нанесение на поверхность
конструкций огнезащитных
красок и т.п., вспучивающихся
при нагреве (Рис.6) |
Комбинированный способ, представляющий собой
рациональное сочетание различных способов огнезащиты
|
Табл.5 Способы огнезащиты
В
схеме не приведены такие экзотические решения как охлаждение полых стальных конструкций циркулирующей жидкостью и т.п.
 |  |
Рис.3 Огнезащитная каркасная облицовка стальных колонн (однослойная) плитными материалами (гипсоволокнистыми листами)
| Рис.4 Огнезащитная бескаркасная облицовка стальных колонн (трёхслойная) плитными материалами (гипсоволокнистыми листами) |
Рис.5 Система огнезащиты металлоконструкций с применением минераловатных плит.
А – огнезащитная композиция на примере стальной двутавровой балки
Б - огнезащита стальной колонны круглого сечения
Рис.6 Двутавровая балка с нанесением вспучивающейся краски и покрывного состава.
Вспучивающиеся огнезащитные краски (покрытия) представляют собой композиционные материалы, включающие в себя полимерное вяжущее и наполнители (антипирены, газообразователи, жаростойкие вещества и стабилизаторы вспененного угольного слоя). При нагревании они разлагаются вокруг защищаемой конструкции с поглощением тепла, происходит выделение инертных газов и паров, которые замещают атмосферный кислород и блокируют конвективный перенос тепла к защищаемой
поверхности, подавляя пламя вблизи слоя покрытия, уменьшают радиационный поток
тепла и замедляют процесс горения. Вспучивающиеся покрытия в своем составе
имеют компоненты, которые являются источником образования вспененного угольного
слоя, покрывающего поверхность конструкции, постепенно закоксовываясь,
становясь жестким.
Вспененный
слой, обладая низкой теплопроводностью, выполняет функцию теплозащитного
экрана, который замедляет распространение тепла по защищаемой конструкции, а
также её прогрев, в результате чего защищенные конструкции значительно позже
попадают в область критической температуры.
При проектировании, в зданиях I и II степеней огнестойкости для
обеспечения требуемого предела огнестойкости несущих элементов здания, отвечающих
за его общую устойчивость и геометрическую неизменяемость при пожаре,
тонкослойные огнезащитные покрытия применяются для конструкций с приведенной
толщиной металла согласно ГОСТ Р 53295 не менее 5,8 мм (пункт 5.4.3 СП
2.13130.2012).
Необходимо
предусмотреть возможность восстановления средств огнезащиты в течение
гарантийного срока эксплуатации и (или) замены после окончания этого срока,
устанавливаемого производителем в соответствии с технической документацией. Не
допускается использовать огнезащитные покрытия и пропитки в местах, исключающих
возможность периодической замены или восстановления, а также контроля их
состояния. Следует отметить, что в отличие от п.9.2.3 СП 28.13330.2012, в
котором записано: «Конструкции зданий и сооружений в целом, элементы и узлы
соединения конструкций должны иметь свободный доступ для осмотров и
возобновления защитных покрытий. При отсутствии возможности обеспечения этих
требований конструкции первоначально должны быть защищены от коррозии на весь
период эксплуатации», для огнезащитных средств не прописано, что допускается
применение огнезащитных покрытий со сроком службы на весь период эксплуатации. Однако,
конструктивные средства огнезащиты могут рассматриваться как составная часть
конструкции, что требует обоснования в проекте огнезащиты.
Преимущества и недостатки применяемых способов
огнезащиты строительных конструкций представлены в табл.5. Следует иметь
ввиду, что данная выборка не является исчерпывающей.
|
Наименование
способа
|
Преимущества
способа
|
Недостатки
способа
|
|
Обетонирование,
оштукатуривание, обкладка кирпичом
|
Относительно
низкая стоимость материалов, долговечность, доступность.
|
1. Большая
масса.
2. Необходимость применения стальной сетки и (или) анкеровки.
3. Сложность проведения работ на высоте.
4. Высокая трудоемкость.
5. Невозможность защиты труднодоступных мест
|
Установка
плит из пористых или волокнистых материалов
|
1. Низкий
уровень массы.
2. Повышенная вибростойкость и долговечность за счет механического крепления
к конструкции.
3. Технологичность и относительно низкая трудоемкость.
|
1. Большой
уровень требуемых толщин огнезащиты.
2. Высокий уровень паропроницаемости.
4. Возможно возникновения очагов коррозии под укрывным слоем.
3. Невозможность защиты труднодоступных мест конструкции.
4. Сложность проведения работ на высоте.
|
Применение
составов на основе жидкого стекла
|
Относительно
низкая трудоемкость
|
1. Низкая
вибростойкость покрытия при больших количествах слоев.
2. Трудность обеспечения и контроля заданных толщин покрытия.
3. Большая по времени продолжительность нанесения и сушки покрытия.
4. Невозможность параллельного проведения других работ.
5. Большие технологические потери при нанесении.
|
|
Применение
огнезащитных красок вспучивающегося типа (тонкослойные покрытия)
|
1.
Относительно низкая трудоемкость.
2. Малая толщина покрытия.
3. Возможность нанесения валиком, кистью, распылением.
4. Возможность защиты труднодоступных мест металлоконструкции.
5. Возможность минимизировать технологические потери.
6. Не требует специальной подготовки персонала.
7. Имеет не только огнезащитные, но и декоративные свойства.
|
1.
Ограничение области применения согласно требованиям нормативной документации
по пожарной безопасности.
2. Требуется постоянный контроль толщины покрытия.
|
Табл.6 Преимущества и недостатки применяемых способов огнезащиты строительных конструкций
Выбор строительных конструкций со средствами огнезащиты и систем
противопожарной защиты при проектировании зданий, сооружений и строений
в
сейсмических районах следует проводить с учетом устойчивости при пожаре,
воздействии землетрясения и после него. При этом устойчивость к сейсмическим
воздействиям строительных конструкций со средствами огнезащиты и систем
противопожарной защиты следует определять расчетными или экспериментальными
методами на натурных фрагментах. При проектировании средств огнезащиты
необходимо использовать результаты испытаний на сейсмостойкость фрагментов
строительных конструкций, проводимых аккредитованными организациями, с
последующей оценкой состояния огнезащиты стандартными методами огневых
испытаний. Допускается оценка состояния покрытия, после испытаний на
сейсмостойкость, путем определения адгезии, отсутствия трещин, сколов,
отслоений и др. с использованием нормативных лабораторных методов и выдачей
соответствующих заключений.
Средства огнезащиты допускается применять из
материалов с дополнительными покрытиями, обеспечивающими придание декоративного
вида огнезащитному слою или его устойчивость к неблагоприятному климатическому
воздействию. В этом случае огнезащитная эффективность должна указываться с
учетом этого слоя.
В соответствии с СП 28.13330.2012 «Защита строительных
конструкций от коррозии.
Актуализированная редакция СНиП 2.03.11-85»,
совместное применение
антикоррозионных и огнезащитных
составов должно осуществляться с учетом их
совместимости и адгезии. Возможность применения огнезащитных
составов поверх антикоррозионных необходимо подтверждать огневыми испытаниями.
Средства огнезащиты, наносимые на стальные конструкции, не должны приводить к
коррозии конструкций. При
использовании
конструкционной огнезащиты необходимо
предусматривать
дополнительные мероприятия по
обеспечению коррозионной защиты конструкций с учетом вида и степени
агрессивного воздействия среды. Напыляемые огнезащитные составы и тонкослойные
огнезащитные покрытия должны предусматриваться стойкими к условиям агрессивной
среды или быть защищены специальными покрытиями. При применении
огнезащитных составов с
защитой поверхности покрытия
огнезащитные характеристики следует
определять с учетом поверхностного слоя.
Пример расчёта толщины огнезащитного слоя
Суть расчёта толщины огнезащитного слоя для несущих
стальных конструкций принципиально не отличается как для конструктивной
огнезащиты, так и для вспучивающихся красок.
Алгоритм определения необходимости огнезащиты для
стальных конструкций представлен на рис.7.
Рис 7. Алгоритм определения необходимости
огнезащитного покрытия для стальных конструкций
На словах данный алгоритм звучит так. При известной
степени огнестойкости здания, определяются пределы огнестойкости конструкций.
Например, для 10 этажного жилого дома площадью до 2200 кв.м. степень огнестойкости
принимается II,
что соответствует пределу огнестойкости несущих конструкций здания R90. По проекту КМ определяется, что
для несущих колонн здания приняты двутавровые сварные балки 30К2. Приведённая
толщина металла составляет 6,73 мм., что соответствует собственному пределу
огнестойкости 11,02 минут. При собственном пределе огнестойкости ниже, чем
требуемом, следует предусматривать мероприятия по огнезащите стальных
конструкций.
Далее выбирается материал огнезащиты. Для огнезащитных
материалов в зависимости от приведённой толщины металла по данным огневых испытаний,
в том числе с учётом расчётов, производители составляют таблицы (либо любая
другая доступная форма подачи информации), из которой выбираются необходимые
параметры огнезащиты. Пример составления такой таблицы приведён ниже. Для
других красок данные, соответственно, будут другие!
Привед. толщина, мм
|
R30
|
R45
|
R60
|
R90
|
Толщ. сухого слоя, мм
|
Расход
кг/м2
|
Толщ. сухого слоя, мм
|
Расход
кг/м2
|
Толщ. сухого слоя, мм
|
Расход
кг/м2
|
Толщ. сухого слоя, мм
|
Расход
кг/м2
|
|
2,5
|
0,70
|
1,19
|
--
|
|
--
|
|
--
|
|
|
2,6
|
0,68
|
1,16
|
--
|
|
--
|
|
--
|
|
|
2,7
|
0,66
|
1,12
|
--
|
|
--
|
|
--
|
|
|
2,8
|
0,64
|
1,09
|
--
|
|
--
|
|
--
|
|
|
2,9
|
0,63
|
1,07
|
--
|
|
--
|
|
--
|
|
|
3,0
|
0,62
|
1,05
|
0,90
|
1,53
|
1,40
|
2,38
|
--
|
|
|
3,1
|
0,61
|
1,04
|
0,88
|
1,50
|
1,38
|
2,35
|
--
|
|
|
3,2
|
0,6
|
1,02
|
0,86
|
1,46
|
1,36
|
2,31
|
--
|
|
|
3,3
|
0,59
|
1,01
|
0,84
|
1,43
|
1,34
|
2,28
|
--
|
|
|
3,4
|
0,58
|
0,98
|
0,8
|
1,36
|
1,31
|
2,23
|
--
|
|
|
3,5
|
0,55
|
0,94
|
0,79
|
1,34
|
1,30
|
2,21
|
--
|
|
|
3,6
|
0,54
|
0,92
|
0,78
|
1,33
|
1,27
|
2,16
|
--
|
|
|
3,7
|
0,53
|
0,90
|
0,77
|
1,31
|
1,24
|
2,11
|
--
|
|
|
3,8
|
0,52
|
0,88
|
0,75
|
1,28
|
1,21
|
2,06
|
--
|
|
|
3,9
|
0,51
|
0,87
|
0,74
|
1,26
|
1,18
|
2,01
|
--
|
|
|
4,0
|
0,50
|
0,85
|
0,73
|
1,24
|
1,15
|
1,96
|
1,83
|
3,11
|
|
4,1
|
0,48
|
0,82
|
0,72
|
1,22
|
1,13
|
1,92
|
1,81
|
3,1
|
|
4,2
|
0,47
|
0,80
|
0,70
|
1,19
|
1,10
|
1,87
|
1,79
|
3,05
|
|
4,3
|
0,46
|
0,78
|
0,69
|
1,17
|
1,07
|
1,82
|
1,78
|
3,02
|
|
4,4
|
0,44
|
0,75
|
0,68
|
1,16
|
1,05
|
1,79
|
1,77
|
3,01
|
|
4,5
|
0,43
|
0,73
|
0,67
|
1,14
|
1,03
|
1,75
|
1,76
|
2,99
|
|
4,6
|
0,42
|
0,71
|
0,66
|
1,12
|
1,0
|
1,7
|
1,75
|
2,97
|
|
4,7
|
0,41
|
0,70
|
0,65
|
1,11
|
0,99
|
1,68
|
1,75
|
2,97
|
|
4,8
|
0,4
|
0,68
|
0,64
|
1,09
|
0,97
|
1,65
|
1,74
|
2,95
|
|
4,9
|
0,39
|
0,66
|
0,62
|
1,05
|
0,96
|
1,63
|
1,73
|
2,94
|
|
5,0
|
0,38
|
0,65
|
0,60
|
1,02
|
0,95
|
1,62
|
1,72
|
2,92
|
|
5,1
|
0,37
|
0,63
|
0,59
|
1,00
|
0,93
|
1,58
|
1,72
|
2,92
|
|
5,2
|
0,36
|
0,61
|
0,59
|
1,00
|
0,92
|
1,56
|
1,71
|
2,91
|
|
5,3
|
0,35
|
0,60
|
0,59
|
1,00
|
0,90
|
1,53
|
1,71
|
2,91
|
|
5,4
|
0,35
|
0,60
|
0,59
|
1,00
|
0,89
|
1,51
|
1,70
|
2,89
|
|
5,5
|
0,35
|
0,60
|
0,58
|
0,99
|
0,88
|
1,50
|
1,70
|
2,89
|
|
5,6
|
0,35
|
0,60
|
0,57
|
0,97
|
0,87
|
1,48
|
1,69
|
2,87
|
|
5,7
|
0,34
|
0,58
|
0,56
|
0,95
|
0,86
|
1,46
|
1,69
|
2,87
|
|
5,8
|
0,33
|
0,56
|
0,55
|
0,93
|
0,85
|
1,44
|
1,68
|
2,85
|
|
5,9
|
0,33
|
0,56
|
0,54
|
0,92
|
0,83
|
1,41
|
1,68
|
2,85
|
|
6,0
|
0,32
|
0,54
|
0,53
|
0,90
|
0,82
|
1,39
|
1,67
|
2,84
|
|
6,1
|
0,3
|
0,51
|
0,53
|
0,90
|
0,82
|
1,39
|
1,66
|
2,82
|
|
6,2
|
0,3
|
0,51
|
0,52
|
0,88
|
0,81
|
1,38
|
1,64
|
2,79
|
|
6,3
|
0,3
|
0,51
|
0,51
|
0,87
|
0,81
|
1,38
|
1,62
|
2,75
|
|
6,4
|
0,30
|
0,51
|
0,51
|
0,87
|
0,80
|
1,36
|
1,61
|
2,74
|
|
6,5
|
0,30
|
0,51
|
0,50
|
0,85
|
0,80
|
1,36
|
1,60
|
2,72
|
|
6,6
|
0,30
|
0,51
|
0,50
|
0,85
|
0,79
|
1,34
|
1,60
|
2,72
|
|
6,7
|
0,30
|
0,51
|
0,49
|
0,83
|
0,78
|
1,33
|
1,59
|
2,70
|
|
6,8
|
0,30
|
0,51
|
0,49
|
0,83
|
0,77
|
1,31
|
1,59
|
2,70
|
|
6,9
|
0,30
|
0,51
|
0,48
|
0,82
|
0,76
|
1,29
|
1,58
|
2,69
|
|
7,0
|
0,30
|
0,51
|
0,48
|
0,82
|
0,75
|
1,28
|
1,58
|
2,69
|
|
7,1
|
0,30
|
0,51
|
0,47
|
0,80
|
0,74
|
1,26
|
1,58
|
2,69
|
|
7,2
|
0,30
|
0,51
|
0,46
|
0,78
|
0,73
|
1,24
|
1,57
|
2,67
|
|
7,3
|
0,30
|
0,51
|
0,45
|
0,77
|
0,72
|
1,22
|
1,57
|
2,67
|
|
7,4
|
0,30
|
0,51
|
0,44
|
0,75
|
0,71
|
1,21
|
1,56
|
2,65
|
|
7,5
|
0,30
|
0,51
|
0,43
|
0,73
|
0,71
|
1,21
|
1,56
|
2,65
|
|
7,6
|
0,30
|
0,51
|
0,42
|
0,71
|
0,71
|
1,21
|
1,56
|
2,65
|
|
7,7
|
0,30
|
0,51
|
0,41
|
0,70
|
0,69
|
1,17
|
1,55
|
2,64
|
|
7,8
|
0,30
|
0,51
|
0,40
|
0,68
|
0,69
|
1,17
|
1,55
|
2,64
|
|
7,9
|
0,30
|
0,51
|
0,40
|
0,68
|
0,68
|
1,16
|
1,53
|
2,60
|
|
8,0
|
0,30
|
0,51
|
0,40
|
0,68
|
0,68
|
1,16
|
1,52
|
2,58
|
|
8,1
|
0,30
|
0,51
|
0,40
|
0,68
|
0,68
|
1,16
|
1,52
|
2,58
|
|
8,2
|
0,30
|
0,51
|
0,39
|
0,66
|
0,68
|
1,16
|
1,52
|
2,58
|
|
8,3
|
0,30
|
0,51
|
0,39
|
0,66
|
0,67
|
1,14
|
1,51
|
2,57
|
|
8,4
|
0,30
|
0,51
|
0,39
|
0,66
|
0,67
|
1,14
|
1,51
|
2,57
|
|
8,5
|
0,30
|
0,51
|
0,39
|
0,66
|
0,67
|
1,14
|
1,51
|
2,57
|
|
8,6
|
0,30
|
0,51
|
0,38
|
0,65
|
0,66
|
1,12
|
1,51
|
2,57
|
|
8,7
|
0,30
|
0,51
|
0,38
|
0,65
|
0,66
|
1,12
|
1,50
|
2,55
|
|
8,8
|
0,30
|
0,51
|
0,38
|
0,65
|
0,65
|
1,11
|
1,50
|
2,55
|
|
8,9
|
0,30
|
0,51
|
0,38
|
0,65
|
0,65
|
1,11
|
1,50
|
2,55
|
|
9,0
|
0,30
|
0,51
|
0,38
|
0,65
|
0,65
|
1,11
|
1,50
|
2,55
|
|
9,1
|
0,30
|
0,51
|
0,38
|
0,65
|
0,64
|
1,09
|
1,50
|
2,55
|
|
9,2
|
0,30
|
0,51
|
0,37
|
0,63
|
0,64
|
1,09
|
1,49
|
2,53
|
|
9,3
|
0,30
|
0,51
|
0,37
|
0,63
|
0,64
|
1,09
|
1,49
|
2,53
|
|
9,4
|
0,30
|
0,51
|
0,37
|
0,63
|
0,63
|
1,07
|
1,49
|
2,53
|
|
9,5
|
0,30
|
0,51
|
0,37
|
0,63
|
0,63
|
1,07
|
1,49
|
2,53
|
|
9,6
|
0,30
|
0,51
|
0,36
|
0,61
|
0,62
|
1,05
|
1,48
|
2,52
|
|
9,7
|
0,30
|
0,51
|
0,36
|
0,61
|
0,62
|
1,05
|
1,48
|
2,52
|
|
9,8
|
0,30
|
0,51
|
0,35
|
0,60
|
0,61
|
1,04
|
1,48
|
2,52
|
|
9,9
|
0,30
|
0,51
|
0,35
|
0,60
|
0,61
|
1,04
|
1,48
|
2,52
|
|
10,0
|
0,30
|
0,51
|
0,35
|
0,60
|
0,60
|
1,02
|
1,48
|
2,52
|
Табл.6 Толщина слоя и расход нанесения огнезащитного состава для стальных конструкций «Булат», ТУ 2312-001-51086397-15 для обеспечения требуемых пределов огнестойкости стальных конструкций с заданной приведенной толщиной металлаДля рассматриваемого нами случая толщина сухого слоя краски «Булат» по ТУ
2312-001-51086397-15 составит 1,59 мм и расход 2,7 кг/кв.м.
При площади подвергаемой обработки 100 кв.м. определяем расход состава 270 кг.
Обобщенные данные о приведенной толщине металла, собственном пределе
огнестойкости конструкции, защищаемой площади, необходимой толщине покрытия и
расход огнезащитного состава определяются проектом огнезащиты металлических
конструкций. Примеры решений по обеспечению требуемых пределов огнестойкости
металлических конструкций от R30 до R90 представлены ниже.
|
Обозначение
|
Позиция
|
Эскиз профиля
|
№ или размеры профиля
|
Прив. толщ, мм
|
Rсобст., мин
|
Rтр., мин
|
Толщина покрытия, мм
|
Защищаемая площ., м2
|
Расход состава, кг.
|
|
КМ-ОЗ
|
|
1
|
|
Конструкции
|
Огнезащитная краска «Булат», ТУ 2312-001-51086397-15
|
|
Колонна
|
1
|

|
I 30К2
|
6,73
|
11,02
|
R90
|
1,59
|
100
|
270
|
|
Косоур
|
2
|

|
[ 22П
|
3,53
|
7,70
|
R60
|
1,3
|
100
|
221
|
|
Связь
|
3
|

|
∟100х100х7
|
3,44
|
6,9
|
R45
|
0,8
|
100
|
136
|
|
Связь
|
4
|

|
□ 80х4
|
3,67
|
7,87
|
R30
|
0,54
|
100
|
92
|
Табл.7 Примеры выписки из проекта огнезащиты стальных конструкций
Монтаж средств огнезащиты
Монтаж
средств огнезащиты производится в соответствии с технологией, разработанной
компанией – производителем огнезащиты. Для нанесения красок, напыляемых
штукатурных составов применяются различные агрегаты, часть из которых
представлена на рис.8. Вариант монтажа листовых материалов представлен на
рис.9.



Рис.8 Агрегаты для нанесения огнезащитных
составов
Рис.9 Вариант монтажа трехслойной (3х15 мм) бескаркасной
облицовки
стальных колонн листовым материалом
(гипсоволокнистыми листами)Техническая документация средств огнезащиты
Средства
огнезащиты для стальных конструкций должны иметь техническую документацию
(технические условия, технологические регламенты, паспорта), разработанную производителем
и зарегистрированную в установленном порядке.
Техническая документация на средства
огнезащиты должна содержать информацию о технических показателях,
характеризующих область их применения, пожарную опасность, способ подготовки
поверхности, виды и марки грунтов, способ нанесения на защищаемую поверхность,
условия сушки, огнезащитную эффективность этих средств, способ защиты от
неблагоприятных климатических воздействий, условия и срок эксплуатации
огнезащитных покрытий, а также меры безопасности при проведении огнезащитных
работ.
Техническая
документация должна содержать следующие документально подтвержденные
показатели
и характеристики средств огнезащиты:
- группу огнезащитной эффективности;
- расход для определенной группы огнезащитной эффективности;
- толщину огнезащитного покрытия для определенной группы огнезащитной
эффективности;
- плотность (объемную массу) средства огнезащиты;
- сведения по технологии нанесения: способы подготовки поверхности, виды и марки
грунтов, клеящих составов, количество слоев, условия сушки, способы крепления и
порядок изготовления (монтажа);
- виды и марки дополнительных (защитных, декоративных) поверхностных слоев
средства огнезащиты;
- гарантийный срок и условия хранения средства огнезащиты;
- мероприятия по технике безопасности и пожарной безопасности при хранении
средства огнезащиты и производстве работ;
- гарантийный срок и условия эксплуатации (предельные значения влажности,
температуры окружающей среды и т.п.);
- возможность и периодичность замены или восстановления в зависимости от условий
эксплуатации.
Проектирование
и производство работ по огнезащите конструкций должны осуществляться
организациями, имеющими лицензию на данные виды деятельности.
Испытания
по определению огнезащитной эффективности средств огнезащиты должны проводиться
в специализированной организации, имеющей соответствующую аккредитацию.
Показатели
и характеристики средств огнезащиты, за исключением группы огнезащитной
эффективности, определяются разработчиком технической документации, и за их точность
он несет установленную законодательством ответственность.
Упаковка,
условия хранения и транспортирования средств огнезащиты должны обеспечивать их
огнезащитные свойства в течение установленного срока годности.
Не
допускается применение средств огнезащиты на неподготовленных (или
подготовленных с нарушениями требований технической документации на эти
средства) поверхностях объектов защиты.
В
соответствии с положениями Технического регламента о требованиях пожарной безопасности, «подтверждение
соответствия продукции требованиям пожарной безопасности осуществляется по
схемам обязательного подтверждения соответствия требованиям пожарной
безопасности (далее - схемы), каждая из которых представляет собой полный набор
операций и условий их выполнения. Схемы могут включать одну или несколько операций,
результаты которых необходимы для подтверждения соответствия продукции
установленным требованиям».
Для
подтверждения соответствия требованиям пожарной безопасности средств огнезащиты
(для серийно выпускаемой продукции) по выбору заявителя применяются схемы:
- сертификация
продукции на основе анализа состояния производства и испытаний типового образца
продукции в аккредитованной испытательной лаборатории (схема 2с);
- сертификация
продукции на основе испытаний типового образца продукции в аккредитованной
испытательной лаборатории с последующим инспекционным контролем (схема 3с);
- сертификация
продукции на основе анализа состояния производства и испытаний типового образца
продукции в аккредитованной испытательной лаборатории с последующим инспекционным
контролем (схема 4с);
- сертификация
продукции на основе испытаний типового образца продукции в аккредитованной
испытательной лаборатории и сертификации системы качества с последующим инспекционным
контролем (схема 5с).
Для
проведения сертификации заявитель представляет в аккредитованный орган по
сертификации сопроводительные документы, в которых должны быть указаны основные
показатели, область и способы применения средств огнезащиты.
Протоколы
испытаний испытательных лабораторий должны содержать значения показателей
характеризующих огнезащитную эффективность средств огнезащиты, в том числе
различные варианты их применения, описанные в сопроводительных документах.
В
сертификате должны быть отражены следующие
специальные характеристики средств
огнезащиты:
1)
наименования средств огнезащиты;
2)
значение огнезащитной эффективности, установленное при испытаниях;
3)
виды, марки, толщина слоев грунтовых, декоративных или атмосфероустойчивых
покрытий, используемых в комбинации с данными средствами огнезащиты при
сертификационных испытаниях;
4)
толщина огнезащитного покрытия средств огнезащиты для установленной
огнезащитной эффективности.
Маркировка
средств огнезащиты, наносимая производителями на продукцию, может содержать
только сведения, подтвержденные при сертификации.
Контроль качества огнезащиты при производстве работ и в период
эксплуатации
Нанесение огнезащитных составов на поверхности, ранее
обработанные пропиточными, лакокрасочными и другими составами, в том числе огнезащитными
составами других марок, допускается при положительных результатах исследований
на их совместимость, включающих установление сохранения огнезащитных,
эксплуатационных свойств, внешнего вида и срока службы огнезащитной обработки.
Средства огнезащиты для стальных строительных
конструкций следует использовать при условии оценки предела огнестойкости
конструкций с нанесенными средствами огнезащиты по ГОСТ 30247.0-94, ГОСТ
30247.1-94, с учетом способа крепления (нанесения), указанного в технической документации
на огнезащиту, и (или) разработки проекта огнезащиты.
Проверка качества осуществляется в соответствии с
инструкцией завода-изготовителя огнезащитного состава и нормативных документов
по пожарной безопасности.
Рис.10 Производство огнезащитной краскиПроверку качества огнезащитной обработки может
проводить непосредственно руководитель организации, при наличии аттестованного
оборудования, поверенных средств измерений и квалифицированного персонала или
привлекать к оценке соответствия организации, обладающие подтвержденной
необходимой компетенцией.
Проверка качества огнезащитной обработки (пропитки)
защищаемых материалов, изделий и конструкций должна осуществляться с помощью
аттестованного испытательного оборудования и поверенных средств измерений.
Рис. 11 Контроль качества продукции
При проведении государственного контроля для оценки
состояния сохранности качества средств огнезащиты и огнезащищенных объектов на
стадии эксплуатации огнезащищенных объектов привлекается представитель
предприятия, на балансе которого находится объект контроля (представитель
арендатора).
Методы контроля за соблюдением нормативных требований при
эксплуатации огнезащищенных объектов либо объектов, подлежащих огнезащите,
включают:
- проверку наличия и содержания документов,
характеризующих пожарную безопасность объектов и необходимых для обеспечения
выполнения нормативных требований;
- проверку наличия и состояния огнезащиты;
- проведение испытаний (исследований) по оценке
состояния огнезащиты;
- проведение идентификации огнезащитных покрытий
методами термического анализа.
При
проверке наличия и содержания документов,
необходимых для обеспечения выполнения нормативных требований, проверяется:
- наличие приемосдаточных актов на выполненные
огнезащитные работы и соответствие содержащейся в них информации нормативным
требованиям, предъявляемым к защищаемым материалам, изделиям и конструкциям (сведения
о месте проведения работ, виде объектов огнезащиты, их состоянии, нанесенных
огнезащитных и грунтовочных составах, их марках, расходе, технологии
приготовления и нанесения, об организации-исполнителе, а также подписи лиц,
производивших работы и осуществлявших контроль);
- копии лицензий юридических лиц (индивидуальных
предпринимателей), проводивших огнезащитную обработку защищаемых материалов,
изделий и конструкций, заверенные в установленном порядке;
- копии сертификатов соответствия на использованные
средства огнезащиты, заверенные в установленном порядке, документы о качестве
(паспорт, свидетельство и т.д.);
- нормативно-техническая документация на применяемые
средства огнезащиты;
- документы, подтверждающие проверки качества
огнезащитной обработки, защищаемых материалов, изделий и конструкций (проверка
сохранности качества огнезащитной обработки (пропитки) проводится в
соответствии со сроками, указанными в нормативно-технической документации на
средства огнезащиты завода-изготовителя, в случае отсутствия сроков проверки качества
- не реже двух раз в год);
- проект огнезащиты на проведение огнезащитной обработки
металлических конструкций;
- другие документы, необходимые для установления
соответствия выполненной огнезащиты нормативным требованиям.
Для стальных конструкций необходимо наличие:
сертификата соответствия на средство огнезащиты по требованиям ГОСТ Р
53295-2009.
При
контроле качества выполненных огнезащитных работ
проверяется (Рис.12):
- состояние огнезащищенной поверхности (наличие дефектов
и повреждений, не допускаемых требованиями нормативно-технической документации);
- соблюдение технологии нанесения средства огнезащиты;
- качественная оценка огнезащитной обработки;
- иные требования, предусмотренные
нормативно-технической документацией.
Рис.12 Контроль качества работ
Основным критерием качества огнезащиты при визуальном
контроле является полное соответствие состояния огнезащищенных конструкций, изделий
и других объектов требованиям нормативно-технической документации на применение
огнезащитного состава (внешний вид, условия эксплуатации, толщина и т.д.) и
требованиям проектной документации на строительство (огнезащитную обработку).
При осмотре конструкций и изделий, защищенных
составами, образующими на поверхности объекта огнезащиты слой покрытия (лаки,
краски, пасты, обмазки и т.п.), определяется отсутствие необработанных мест,
сквозных трещин, отслоений, других видимых признаков разрушения покрытия, изменений
цвета и т.д. Особое внимание следует обращать на обработку соединений элементов
конструкций и места, в которых затруднено нанесение огнезащитных составов.
Обнаруженные дефекты фотографируются. Фотографии являются приложением к отчету
(акту) по результатам контроля.
Для определения толщины слоя нанесенного огнезащитного
покрытия на металлических конструкциях проводят измерения в нескольких местах.
Рекомендуется 5 - 6 серий измерений (на разных видах конструкций) на каждые 1000 м
2
поверхности. В каждой серии рекомендуется проводить не менее 5 измерений в
различных местах одной конструкции с усреднением результатов и оценкой
максимальных отклонений величин. Измерения необходимо проводить преимущественно
в местах конструкций, где по визуальным признакам предполагается отклонение от
нормативной толщины покрытия.
Контроль толщины слоя нанесенного огнезащитного
покрытия на металлических конструкциях осуществляется с помощью специальных
приборов, обеспечивающих необходимую точность измерений. Погрешность приборов
для измерения толщины покрытия не должна превышать +/-0,02Т, где Т - измеряемая
толщина покрытия, мм. Для покрытий с толщиной до 20 мм рекомендуется
использовать магнитные толщиномеры. Для измерения толщины покрытий,
составляющих 10 мм
и более, возможно использование штангенциркуля или игольчатого щупа с линейкой.
По результатам измерений определяется усредненное значение и минимальное
значение толщины покрытия, а также среднее арифметическое отклонение по п.
5.4.3 ГОСТ Р 53295-2009.
Оценка качества и состояния огнезащитной обработки
тонкослойными вспучивающимися огнезащитными составами проводится в случае
сомнений в качестве примененного ОЗС или по истечении 5-летнего срока эксплуатации
покрытия. Данный экспресс-метод может быть применен для контроля указанных
огнезащитных покрытий независимо от вида объекта огнезащиты (металлические
конструкции, кабели, отделочно-декоративные материалы и т.д.). Из образцов
покрытия вырезаются диски диаметром 3 - 5 мм в количестве не менее 3 шт. и помещаются
на негорючую термоустойчивую подложку на расстоянии не менее 10 мм друг от друга. Далее
проводят определение коэффициента вспучивания по приложению Ф ГОСТ Р
12.3.047-98.
По результатам измерений определяют среднюю и
минимальную толщину огнезащитного покрытия. Следует учитывать, что значение
средней толщины, полученное на объекте огнезащиты, не обязательно должно совпадать
со значением средней толщины, указанном в сертификате соответствия продукции
требованиям пожарной безопасности (обычно указывается для огнезащитных
составов, предназначенных для защиты металлических поверхностей).
Среднее и минимальное значения толщины огнезащитного
слоя и значения среднеквадратического отклонения должны соответствовать
требованиям нормативной и технической документации на применение огнезащитного
состава и требованиям проектной документации на строительство (огнезащитную обработку).
Руководитель организации обеспечивает устранение
нарушений огнезащитных покрытий (штукатурки, специальных красок, лаков,
обмазок) в процессе их эксплуатации: пунктом 21 Правил противопожарного режима
в Российской Федерации, утвержденных постановлением Правительства Российской
Федерации от 25 апреля 2012 г.
N 390 "О противопожарном режиме" определено, что руководитель
организации обеспечивает устранение повреждений толстослойных напыляемых
составов, огнезащитных обмазок, штукатурки, облицовки плитными, листовыми и
другими огнезащитными материалами, в том числе на каркасе, комбинации этих
материалов, в том числе с тонкослойными вспучивающимися покрытиями строительных
конструкций, горючих отделочных и теплоизоляционных материалов, воздуховодов, металлических
опор оборудования и эстакад, а также осуществляет проверку состояния
огнезащитной обработки (пропитки), в соответствии с инструкцией
завода-изготовителя, с составлением протокола проверки состояния огнезащитной
обработки (пропитки). Проверка состояния огнезащитной обработки (пропитки), при
отсутствии в инструкции сроков периодичности, проводится не реже 1 раза в год.
Публикации
1. ФЗ №123. Технический регламент о требованиях пожарной безопасности. – М.: ФГУ ВНИИПО МЧС России, 2008. – 156 с.
2. Пожарная безопасность технологических процессов. Общие требования. Методы контроля. ГОСТ Р 12.3.047-98.
3. Пособие по определению пределов огнестойкости конструкций, пределов распространения огня по конструкциям и групп возгораемости материалов (к СНиП II-2-80). - М.: Стройиздат, 1985. - 58 с.
4. Пузач С.В. Методы расчета тепломассообмена при пожаре в помещении и их применение при решении практических задач пожаровзрывобезопасности. - М.: Академия ГПС МЧС России, 2005. - 336 с.
5. Пузач С.В., Зернов С.И., Богатищев А.И., Карпов С.Ю. Расчет фактических пределов огнестойкости строительных конструкций с учетом реальных параметров пожара, действий систем пожаротушения, механической вентиляции и дымоудаления (математическая модель и методика расчета). – Саранск: Мордовское книжное издательство, 2004. – 80 с.
6. Пузач С.В., Казеннов В.М., Горностаев Р.П., Вараксин А.Ю. Определение времени эвакуации людей и огнестойкости строительных конструкций с учетом параметров реального пожара. Учебное пособие. - М.: Академия ГПС МЧС России, 2006. - 114 с.
7. СП 2.13130.2012 Системы противопожарной защиты. Обеспечение огнестойкости объектов защиты.
8. Баратов А.Н. Горение – Пожар – Взрыв - Безопасность. - М.: ФГУ ВНИИ ПО МЧС России, 2003. – 252 с.
9. Ройтман М.Я. Пожарная профилактика в строительном деле. - М.: ВИПТШ МВД СССР, 1975. – 145 с.
10. Мосалков И.Л., Плюснина Г.Ф., Фролов А.Ю. Огнестойкость строительных конструкций. - М.: Спецтехника, 2001. – 245 с.
11. Кошмаров Ю.А. Прогнозирование опасных факторов пожара в помещении: Учебное пособие. - М.: Академия ГПС МВД России, 2000. - 118 с.
12. Методика и примеры технико-экономического обоснования противопожарных мероприятий к СНИП 21-01-97*. МДС 21-3.2001.
13. Кошмаров Ю.А. Теплотехника. – М.: Академия ГПС МЧС России, 2006. – 501 с.
14. Шебеко Ю.Н., Навценя В.Ю., Костюхин А.К. и др. Обеспечение пожарной безопасности установок по ликвидации аварийных проливов нефти и нефтепродуктов. Рекомендации. ФГУ ВНИИПО МЧС России, 2008. Согласованы письмом ДНД МЧС России от 2 июля 2008 г. № 19-2-3-2261.
15. Болдырев А.С. и др. Строительные материалы: Справочник / Под ред. А.С. Болдырева. – М.: Стройиздат, 1989. – 567 с.
16. Эмаль огнезащитная NFP-S для металлоконструкций. Сертификат соответствия C-RU.ПБ34.В.00966. 20.07.2012.
17. Сертификат соответствия краска огнезащитная FIRETEX FX4002 №С- GB ПБ34 В01125.
18. Яковлев А.И. Расчет огнестойкости строительных конструкций. - М.: Стройиздат, 1988. – 143 с.
19. Ройтман М.Я. Пожарная профилактика в строительном деле. - М.: ВИПТШ МВД СССР, 1975. – 145 с.
20. Пожарная безопасность автостоянок / П.Н. Марчук, В.И. Присадков, В.В. Лицкевич, В.Н. Пятков, А.В. Федоринов // Пожарная безопасность. - 2003. - №6. – С. 25-32.
21. Сертификат соответствия краска огнезащитная FIRETEX FX4002 №С- GB ПБ34 В00853 № 0657994.
22. Инструкция по устройству и эксплуатации покрытия на основе огнезащитной обмазки «Фризол-ОК» ТУ2313-020-88712501-13. ООО «СтройЗащита». 2013.
23. Пузач С.В. Интегральные, зонные и полевые методы расчета динамики опасных факторов пожара. Свидетельство об официальной регистрации программы № 2006614238 в Федеральной службе по интеллектуальной собственности, патентам и товарным знакам от 8.12.2006 г.
24. Пузач С.В. Определение огнестойкости строительных конструкций с учетом параметров реального пожара. Свидетельство об официальной регистрации программы № 2006614237 в Федеральной службе по интеллектуальной собственности, патентам и товарным знакам от 8.12.2006 г.
25. Краска огнезащитная для металлоконструкций BŌKA KINZOKU (БОКА КИНЗОКИ) АК-ОГН-М «М1». ТУ 2310-001-92786244-2012. Сертификат соответствия ГОСТ Р № РОСС RU.АГ33.Н00151. Сертификат пожарной безопасности № С-RU.ПБ51.В.00261. Сертификат пожарной безопасности №НСОПБ.RU.ПР061.Н.00034. Сертификат пожарной безопасности № НСОПБ.RU.ПР061.Н.00035.
26. Краска огнезащитная для металлоконструкций BŌKA KINZOKU (БОКА КИНЗОКИ)ВА-ОГН-М «М2». ТУ 2310-001-92786244-2012. Сертификат соответствия ГОСТ Р № РОСС RU.АГ33.Н00152. Сертификат пожарной безопасности № С-RU.ПБ51.В.00260. Сертификат пожарной безопасности № НСОПБ.RU.ПР061.Н.00032. Сертификат пожарной безопасности № НСОПБ.RU.ПР061.Н.00033.
27. Термогазодинамика пожаров в помещениях / В.М. Астапенко, Ю.А. Кошмаров,
И.С. Молчадский, А.Н. Шевляков. - М.: Стройиздат, 1986. - 370 с.
28. Методика определения расчетных величин пожарного риска в зданиях, сооружениях и строениях различных классов функциональной пожарной опасности. Приложение к приказу МЧС России от 30.06.2009 № 382.